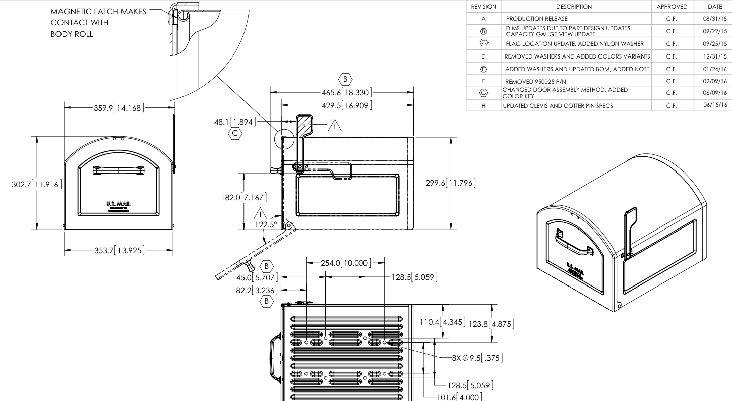
Cần tìm Nhà máy có năng lực sản xuất để Hợp tác hoặc Outsource cho sản phẩm Hộp thư như hình bên dưới:
Yêu cầu:
- Nhà máy có máy Dập 80 tấn đến 200 tấn;
- Có dây chuyền Sơn, Đóng gói;
- Gia công 1 số công đoạn hoặc toàn bộ Sản phẩm;
- Hình ảnh Nhà xưởng minh hoạ, và Sản phẩm đính kèm.
- Xin liên hệ để biết thêm chi tiết: anh Trịnh Văn Long O97.33.77.7O7 hoặc email info@daviteq.com

